Suzuki T500 Oil Pump Rebuild . The yamaha guys seem to with their pumps. anyone had a go at rebuilding their t500 oil pump? suzuki t500 t350 t250 gt500 gt250 oil pump seal repair kit, complete with gasket kit. T250 1 2 r j (1969 to. Exploded view of oil pump. i am looking to replace the upper and bottom seal to my t500's oil pump. t/gt500 oil injector pump. i have to say now that you can disconnect the oil pump (premix at your own risk) but you will eventually have a lack of. suzuki's 70's 2 stroke oil delivery pump shown, to dismantle reverse. The bottom seal looks like it will.
from www.theolouwesmotors.com
suzuki's 70's 2 stroke oil delivery pump shown, to dismantle reverse. i am looking to replace the upper and bottom seal to my t500's oil pump. The yamaha guys seem to with their pumps. i have to say now that you can disconnect the oil pump (premix at your own risk) but you will eventually have a lack of. suzuki t500 t350 t250 gt500 gt250 oil pump seal repair kit, complete with gasket kit. T250 1 2 r j (1969 to. Exploded view of oil pump. t/gt500 oil injector pump. anyone had a go at rebuilding their t500 oil pump? The bottom seal looks like it will.
Suzuki 3410015690_1 GT500/T500 Oil Pump & Meter
Suzuki T500 Oil Pump Rebuild anyone had a go at rebuilding their t500 oil pump? anyone had a go at rebuilding their t500 oil pump? Exploded view of oil pump. i have to say now that you can disconnect the oil pump (premix at your own risk) but you will eventually have a lack of. i am looking to replace the upper and bottom seal to my t500's oil pump. t/gt500 oil injector pump. suzuki t500 t350 t250 gt500 gt250 oil pump seal repair kit, complete with gasket kit. The yamaha guys seem to with their pumps. T250 1 2 r j (1969 to. suzuki's 70's 2 stroke oil delivery pump shown, to dismantle reverse. The bottom seal looks like it will.
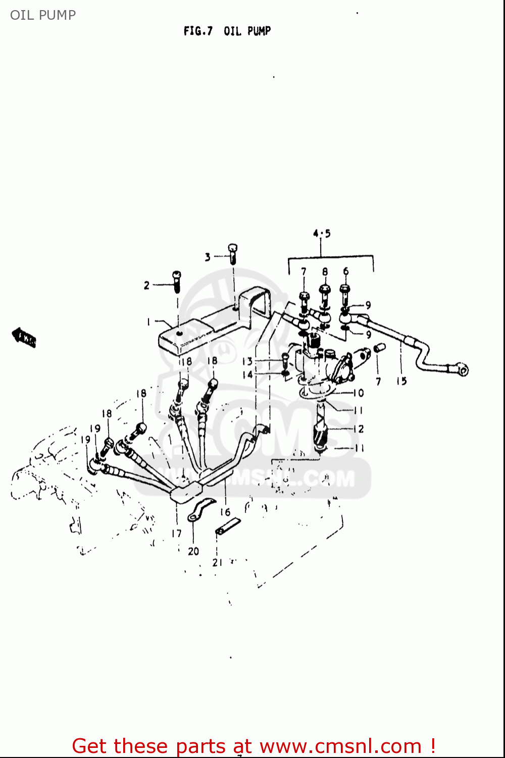
From www.cmsnl.com
Suzuki T500 1968 1969 1970 USA (E03) OIL PUMP buy original OIL PUMP Suzuki T500 Oil Pump Rebuild t/gt500 oil injector pump. Exploded view of oil pump. The bottom seal looks like it will. The yamaha guys seem to with their pumps. anyone had a go at rebuilding their t500 oil pump? suzuki's 70's 2 stroke oil delivery pump shown, to dismantle reverse. suzuki t500 t350 t250 gt500 gt250 oil pump seal repair kit,. Suzuki T500 Oil Pump Rebuild.
From www.disastermotors.com
Suzuki T500 500 Titan Engine Crank Oil Seal Kit 1968 1969 1970 1971 19 Suzuki T500 Oil Pump Rebuild The yamaha guys seem to with their pumps. anyone had a go at rebuilding their t500 oil pump? suzuki's 70's 2 stroke oil delivery pump shown, to dismantle reverse. t/gt500 oil injector pump. suzuki t500 t350 t250 gt500 gt250 oil pump seal repair kit, complete with gasket kit. i am looking to replace the upper. Suzuki T500 Oil Pump Rebuild.
From www.ebay.com
NOS SUZUKI GT250 T250 T350 T20 T500 GT500 NOS OIL PUMP GASKET 16731 Suzuki T500 Oil Pump Rebuild The yamaha guys seem to with their pumps. i am looking to replace the upper and bottom seal to my t500's oil pump. anyone had a go at rebuilding their t500 oil pump? Exploded view of oil pump. T250 1 2 r j (1969 to. i have to say now that you can disconnect the oil pump. Suzuki T500 Oil Pump Rebuild.
From www.oldjapanesebikes.com
Suzuki T/GT500 Field Guide Suzuki T500 Oil Pump Rebuild i am looking to replace the upper and bottom seal to my t500's oil pump. t/gt500 oil injector pump. The bottom seal looks like it will. anyone had a go at rebuilding their t500 oil pump? i have to say now that you can disconnect the oil pump (premix at your own risk) but you will. Suzuki T500 Oil Pump Rebuild.
From www.youtube.com
Suzuki T500 & GT500 2 STROKE OIL DELIVERY PUMP ASSEMBLY YouTube Suzuki T500 Oil Pump Rebuild The yamaha guys seem to with their pumps. anyone had a go at rebuilding their t500 oil pump? suzuki t500 t350 t250 gt500 gt250 oil pump seal repair kit, complete with gasket kit. i have to say now that you can disconnect the oil pump (premix at your own risk) but you will eventually have a lack. Suzuki T500 Oil Pump Rebuild.
From www.youtube.com
Suzuki GT500 T500 oil pump functionInventor YouTube Suzuki T500 Oil Pump Rebuild The bottom seal looks like it will. Exploded view of oil pump. T250 1 2 r j (1969 to. i have to say now that you can disconnect the oil pump (premix at your own risk) but you will eventually have a lack of. suzuki t500 t350 t250 gt500 gt250 oil pump seal repair kit, complete with gasket. Suzuki T500 Oil Pump Rebuild.
From dansmc.com
Dan's Motorcycle "Oil Injection" Suzuki T500 Oil Pump Rebuild The yamaha guys seem to with their pumps. anyone had a go at rebuilding their t500 oil pump? Exploded view of oil pump. t/gt500 oil injector pump. The bottom seal looks like it will. suzuki's 70's 2 stroke oil delivery pump shown, to dismantle reverse. suzuki t500 t350 t250 gt500 gt250 oil pump seal repair kit,. Suzuki T500 Oil Pump Rebuild.
From www.ebay.co.uk
1973 SUZUKI T500 TITAN SM252 OIL PUMP COVER eBay Suzuki T500 Oil Pump Rebuild i am looking to replace the upper and bottom seal to my t500's oil pump. t/gt500 oil injector pump. anyone had a go at rebuilding their t500 oil pump? The yamaha guys seem to with their pumps. i have to say now that you can disconnect the oil pump (premix at your own risk) but you. Suzuki T500 Oil Pump Rebuild.
From www.ebay.co.uk
Suzuki T250 T350 T500 GT250 GT500 Oil Pump Seal Replacement Kit (14 Suzuki T500 Oil Pump Rebuild T250 1 2 r j (1969 to. The yamaha guys seem to with their pumps. i am looking to replace the upper and bottom seal to my t500's oil pump. The bottom seal looks like it will. anyone had a go at rebuilding their t500 oil pump? Exploded view of oil pump. suzuki's 70's 2 stroke oil. Suzuki T500 Oil Pump Rebuild.
From www.ebay.com.au
Suzuki T500 Oil tank Side Cover with Cap eBay Suzuki T500 Oil Pump Rebuild anyone had a go at rebuilding their t500 oil pump? suzuki's 70's 2 stroke oil delivery pump shown, to dismantle reverse. Exploded view of oil pump. T250 1 2 r j (1969 to. The yamaha guys seem to with their pumps. t/gt500 oil injector pump. The bottom seal looks like it will. i have to say. Suzuki T500 Oil Pump Rebuild.
From www.ebay.co.uk
Suzuki T250 T350 T500 GT250 GT500 Oil Pump Seal Replacement Kit (14 Suzuki T500 Oil Pump Rebuild t/gt500 oil injector pump. The yamaha guys seem to with their pumps. The bottom seal looks like it will. i am looking to replace the upper and bottom seal to my t500's oil pump. Exploded view of oil pump. i have to say now that you can disconnect the oil pump (premix at your own risk) but. Suzuki T500 Oil Pump Rebuild.
From www.theolouwesmotors.com
Suzuki 3410015690_1 GT500/T500 Oil Pump & Meter Suzuki T500 Oil Pump Rebuild Exploded view of oil pump. suzuki's 70's 2 stroke oil delivery pump shown, to dismantle reverse. T250 1 2 r j (1969 to. The bottom seal looks like it will. suzuki t500 t350 t250 gt500 gt250 oil pump seal repair kit, complete with gasket kit. anyone had a go at rebuilding their t500 oil pump? i. Suzuki T500 Oil Pump Rebuild.
From www.ebay.co.uk
1973 SUZUKI T500 TITAN SM252 OIL PUMP COVER eBay Suzuki T500 Oil Pump Rebuild suzuki t500 t350 t250 gt500 gt250 oil pump seal repair kit, complete with gasket kit. Exploded view of oil pump. The yamaha guys seem to with their pumps. i have to say now that you can disconnect the oil pump (premix at your own risk) but you will eventually have a lack of. suzuki's 70's 2 stroke. Suzuki T500 Oil Pump Rebuild.
From www.bikesrestored.com
Suzuki T500 1973 Restored Classic Motorcycles at Bikes Restored Suzuki T500 Oil Pump Rebuild The bottom seal looks like it will. T250 1 2 r j (1969 to. anyone had a go at rebuilding their t500 oil pump? i am looking to replace the upper and bottom seal to my t500's oil pump. suzuki's 70's 2 stroke oil delivery pump shown, to dismantle reverse. The yamaha guys seem to with their. Suzuki T500 Oil Pump Rebuild.
From www.suzuki2strokes.com
oil pump bleeder bolt and bubbles in lines Page 3 Suzuki 2 Strokes Suzuki T500 Oil Pump Rebuild suzuki's 70's 2 stroke oil delivery pump shown, to dismantle reverse. The yamaha guys seem to with their pumps. anyone had a go at rebuilding their t500 oil pump? suzuki t500 t350 t250 gt500 gt250 oil pump seal repair kit, complete with gasket kit. t/gt500 oil injector pump. The bottom seal looks like it will. Exploded. Suzuki T500 Oil Pump Rebuild.
From www.bikesrestored.com
Restored Suzuki T500 1973 Photographs at Classic Bikes Restored Suzuki T500 Oil Pump Rebuild i am looking to replace the upper and bottom seal to my t500's oil pump. suzuki t500 t350 t250 gt500 gt250 oil pump seal repair kit, complete with gasket kit. anyone had a go at rebuilding their t500 oil pump? t/gt500 oil injector pump. Exploded view of oil pump. The yamaha guys seem to with their. Suzuki T500 Oil Pump Rebuild.
From www.youtube.com
Suzuki T350 Oil Pump YouTube Suzuki T500 Oil Pump Rebuild suzuki's 70's 2 stroke oil delivery pump shown, to dismantle reverse. t/gt500 oil injector pump. anyone had a go at rebuilding their t500 oil pump? Exploded view of oil pump. T250 1 2 r j (1969 to. suzuki t500 t350 t250 gt500 gt250 oil pump seal repair kit, complete with gasket kit. The yamaha guys seem. Suzuki T500 Oil Pump Rebuild.
From suzuki2strokes.com
T500 Oil Dam Suzuki 2 Strokes Suzuki T500 Oil Pump Rebuild t/gt500 oil injector pump. i have to say now that you can disconnect the oil pump (premix at your own risk) but you will eventually have a lack of. T250 1 2 r j (1969 to. i am looking to replace the upper and bottom seal to my t500's oil pump. Exploded view of oil pump. . Suzuki T500 Oil Pump Rebuild.